Welcome to the JeepSpecs.com in-depth page on WJ Generation Jeep Grand Cherokee wiring diagrams and pinouts. We have organized as much information as we could find into a helpful article below. Is something incorrect or missing? Please get in touch with us and we’ll fix it!
Radio connectors
1999-2001 (2x 7-pin) |
2002-2004 (22-pin + 10-pin) |
| Base radio (without CD changer & PCI connectors) |
Connectors were changed starting in MY 2002 |
|---|
| Premium radio (with changer (C4) & PCI (C3) connectors) |
2002-2004 closeup view of connectors |
|---|
RB1 Navigation Radio
Wiring and pinouts |
|
1999-2001 |
2002-2004 |
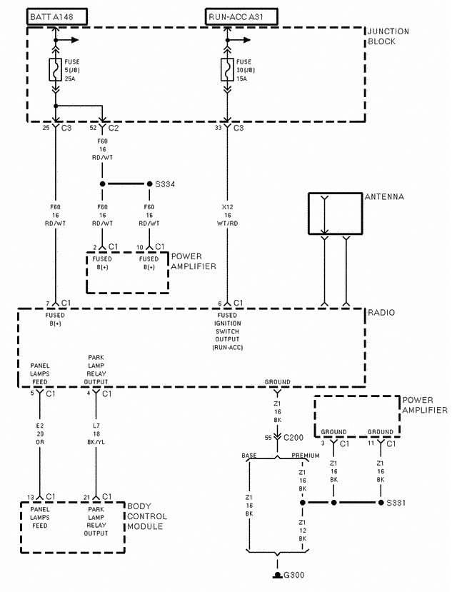
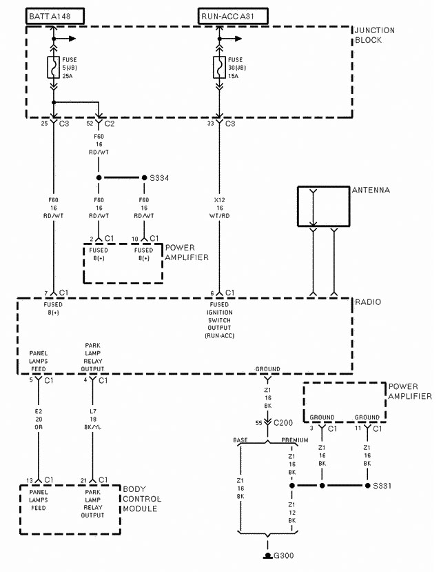
Base Audio system wiring Base Audio system wiring
Premium Audio system wiring Premium Audio system wiring
Radio connector pinouts Radio connector pinouts
CD Changer wiring CD Changer wiring
1999-2004




10-pin to 8-pin CD changer adaptor cable
(P/N 508971AA)
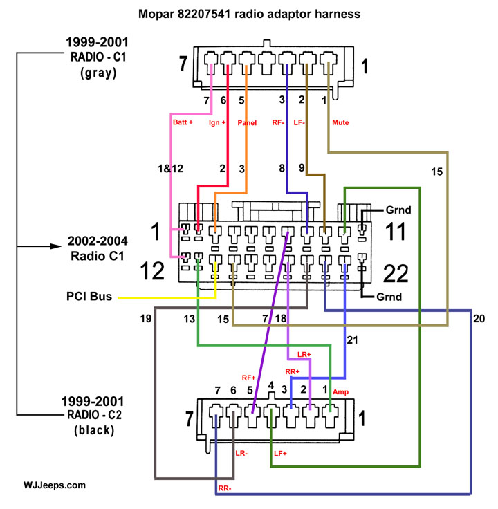
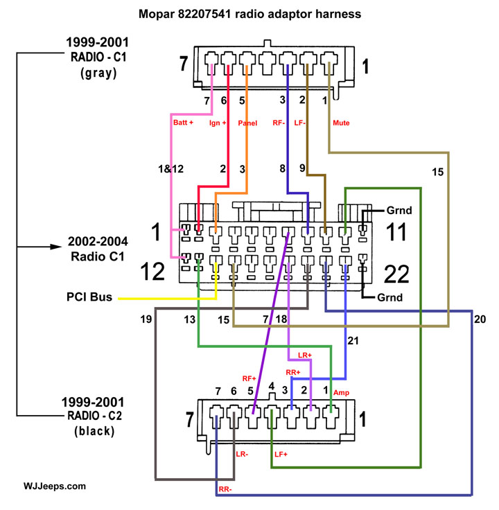
Radio adaptor harness
(P/N 82207541)

















